
【產品用途】
D343H 、D343W型三偏心多層次硬密封蝶閥廣泛地應用到冶金、電力、石油、化工、空氣、煤氣、可燃氣體以及給排水等腐蝕性介質的管道上。
【標準規范】
設計制造標準:GB/T 12238-2008
結構長度標準:GB/T 12221-2005
連接法蘭標準:GB/T 9113
壓力溫度等級:GB/T 12224-2005
試驗檢驗標準:GB/T 13927-2008
【結構特點】
1、硬密封蝶閥采用三偏心硬密封結構,閥座與蝶板幾乎無磨損,具有越觀越緊的密封功能。
2、密封圈選用不銹鋼制作,具有金屬硬密封和彈性密封的雙重優點,無論在低溫和高溫的情況下,均具有優良的密封性能,具有耐腐蝕,使用壽命長等特點。
3、蝶板密封面采用堆焊鈷基硬質合金,密封面耐磨損,使用壽命長。
4、大規格蝶板采用絎架結構,強度高,過流面積大,流阻小。
5、根據用戶需求,閥門供應網的硬密封蝶閥可以設計成具有雙向密封功能,安裝時不受介質流向的限制,也不受空間位置的影響,可在任何方向安裝。
6、驅動裝置可以多工位(旋轉90°或180°)安裝,便于用戶使用。
【主要性能規范】
|
公稱通徑 |
DN(mm) |
50-4000 |
||
|
公稱壓力 |
PN(MPa) |
2.5 |
4.0 |
6.4 |
|
試驗壓力 |
強度試驗 |
3.75 |
6.0 |
9.6 |
|
密封試驗 |
2.75 |
4.4 |
7.04 |
|
|
氣密封試驗 |
0.6 |
0.6 |
0.6 |
|
【產品零部件材料】
|
型號 |
D343H-16 |
D343W-16P |
D343W-16R |
|
|
工作壓力(MPa) |
1.6 |
|||
|
適用溫度(℃) |
≤425 |
≤200 |
||
|
適用介質 |
水、油或非腐蝕性介質 |
硝酸類介質 |
醋酸類介質 |
|
|
材料 |
閥體、蝶板 |
WCB |
CF8/304 |
CF3M/316L |
|
閥桿 |
2Cr13 |
304 |
316L |
|
|
閥體密封面 |
堆焊 507 |
- |
- |
|
|
蝶板密封面 |
304+柔性石墨 |
304+PTFE |
304+PTFE |
|
|
填料 |
柔性石墨 |
PTFE |
PTFE |
|
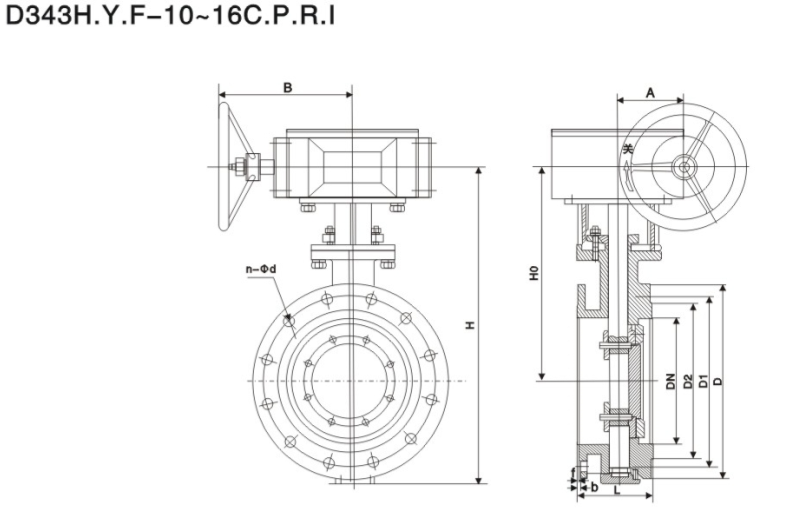
【主要外形和連接尺寸】
|
PN |
DN |
L |
D |
D1 |
D2 |
Z-d |
b |
f |
H |
H0 |
|
2.5 |
50 |
108 |
165 |
125 |
99 |
4-18 |
20 |
2 |
170 |
130 |
|
2.5 |
65 |
112 |
185 |
145 |
118 |
8-18 |
22 |
2 |
265 |
210 |
|
2.5 |
80 |
114 |
200 |
160 |
132 |
8-18 |
24 |
2 |
310 |
233 |
|
2.5 |
100 |
127 |
235 |
190 |
156 |
8-22 |
24 |
2 |
343 |
242 |
|
2.5 |
125 |
140 |
270 |
220 |
184 |
8-26 |
26 |
2 |
385 |
254 |
|
2.5 |
150 |
140 |
300 |
250 |
211 |
8-26 |
28 |
2 |
445 |
580 |
|
2.5 |
200 |
152 |
360 |
310 |
274 |
12-26 |
30 |
2 |
510 |
297 |
|
2.5 |
250 |
165 |
425 |
370 |
330 |
12-30 |
32 |
2 |
569 |
339 |
|
2.5 |
300 |
178 |
485 |
430 |
389 |
16-30 |
34 |
2 |
653 |
375 |
|
2.5 |
350 |
190 |
555 |
490 |
448 |
16-33 |
38 |
2 |
730 |
420 |
|
2.5 |
400 |
216 |
620 |
550 |
503 |
16-36 |
40 |
2 |
810 |
463 |
|
2.5 |
450 |
222 |
670 |
600 |
548 |
20-36 |
46 |
2 |
850 |
495 |
|
2.5 |
500 |
229 |
730 |
660 |
609 |
20-36 |
48 |
2 |
940 |
566 |
|
2.5 |
600 |
267 |
845 |
770 |
720 |
20-39 |
58 |
2 |
1150 |
630 |
|
2.5 |
700 |
292 |
960 |
875 |
820 |
24-42 |
58 |
5 |
1195 |
727 |
|
2.5 |
800 |
318 |
1085 |
990 |
609 |
24-36 |
58 |
5 |
1268 |
810 |
|
4.0 |
50 |
108 |
160 |
125 |
100 |
4-18 |
20 |
3 |
170 |
130 |
|
4.0 |
65 |
112 |
180 |
145 |
120 |
8-18 |
22 |
3 |
265 |
210 |
|
4.0 |
80 |
114 |
195 |
160 |
135 |
8-18 |
22 |
3 |
310 |
233 |
|
4.0 |
100 |
127 |
230 |
190 |
160 |
8-23 |
24 |
3 |
343 |
242 |
|
4.0 |
125 |
140 |
270 |
220 |
188 |
8-25 |
28 |
3 |
385 |
254 |
|
4.0 |
150 |
140 |
300 |
250 |
218 |
8-25 |
30 |
3 |
445 |
280 |
|
4.0 |
200 |
152 |
375 |
320 |
282 |
12-30 |
38 |
3 |
510 |
297 |
|
4.0 |
250 |
165 |
445 |
385 |
345 |
12-34 |
42 |
3 |
569 |
339 |
|
4.0 |
300 |
178 |
510 |
450 |
408 |
16-34 |
46 |
4 |
653 |
375 |
|
4.0 |
350 |
190 |
570 |
510 |
465 |
16-34 |
52 |
4 |
730 |
420 |
|
4.0 |
400 |
216 |
655 |
585 |
535 |
16-41 |
58 |
4 |
810 |
463 |
|
4.0 |
450 |
222 |
680 |
610 |
560 |
20-41 |
60 |
4 |
850 |
495 |
|
4.0 |
500 |
229 |
755 |
670 |
612 |
20-48 |
62 |
4 |
940 |
566 |
|
4.0 |
600 |
267 |
890 |
795 |
730 |
20-54 |
62 |
5 |
1150 |
630 |
|
4.0 |
700 |
292 |
995 |
900 |
835 |
24-54 |
68 |
5 |
1195 |
727 |
|
4.0 |
800 |
318 |
1135 |
1030 |
960 |
24-58 |
76 |
5 |
1268 |
810 |
|
6.4 |
100 |
190 |
250 |
200 |
156 |
8-26 |
24 |
3 |
285 |
107 |
|
6.4 |
125 |
200 |
295 |
211 |
184 |
8-30 |
28 |
3 |
300 |
123 |
|
6.4 |
150 |
210 |
345 |
280 |
244 |
8-33 |
30 |
3 |
320 |
140 |
|
6.4 |
200 |
230 |
415 |
345 |
284 |
12-36 |
38 |
3 |
370 |
180 |
|
6.4 |
250 |
250 |
470 |
400 |
345 |
12-36 |
42 |
3 |
420 |
200 |
|
6.4 |
300 |
270 |
530 |
460 |
409 |
16-36 |
46 |
4 |
500 |
250 |
|
6.4 |
350 |
290 |
600 |
525 |
465 |
16-39 |
52 |
4 |
530 |
270 |
|
6.4 |
400 |
310 |
670 |
585 |
535 |
16-42 |
58 |
4 |
570 |
300 |
|
6.4 |
450 |
330 |
685 |
610 |
560 |
20-42 |
60 |
4 |
600 |
320 |
|
6.4 |
500 |
350 |
800 |
705 |
640 |
20-54 |
62 |
4 |
680 |
360 |
|
6.4 |
600 |
390 |
930 |
820 |
750 |
20-58 |
62 |
5 |
750 |
420 |
|
6.4 |
700 |
430 |
995 |
900 |
835 |
24-54 |
68 |
5 |
880 |
480 |
|
6.4 |
800 |
470 |
1135 |
1030 |
960 |
24-58 |
76 |
5 |
1000 |
600 |
【結構圖片】
如果您對報價或合作有任何疑問,請隨時通過以下電子郵件與我們聯系 lg@cnlgvalve.com 或使用以下查詢表格。 我們的銷售代表將在24小時內與您聯系。 感謝你對我們產品感興趣。