
【產品用途】
D341H、D341W 型 PN0.5~PN1 通風蝶閥在冶金、化工、建材、電站、玻璃等行業中的通風、環保工程的含塵冷風或熱風氣體管道中,作為氣體介質調節流量或切斷裝置。
【產品特點】
通風蝶閥的結構是使用中線蝶板和短結構鋼板進行焊接而成的,所以它的內部沒有連桿和螺栓等組件,在使用過程中也就不會產生一些組件問題,因此故障率很低。使用起來很方便。是一種可靠的閥門裝置。而且因為它的密封系統采用的是金屬封閉,雖然密封效果比不上彈性密封,但是使用壽命要比彈性密封長,而且具有耐高溫的特性。所以在建材、電力、冶金等行業都有著廣泛的應用。在溫度不高于300度的介質輸送管道中,都可以的實現連接和關閉調節作用。這種蝶閥還可以根據客戶的需要來特殊定制,十分的人性化。
因為通風蝶閥的蝶板與閥體間的間隙很大,有足夠的膨脹空間,所以在使用過程中它可以有效的防止因為溫度變化帶來的熱脹冷縮的情況,也就不會產生蝶板卡死的現象了。常見的蝶閥有多種的驅動方式,有手動驅動的,也有電動驅動的和氣動驅動的等等,選擇的余地非常的大。因為材質的緣故,這種蝶閥還具備耐高溫的特性,開關的時候也不會有摩擦,使用壽命極長。通風蝶閥是一種使用鋼板焊接制作而成的的閥門,它具有尺寸小重量輕容易安裝等特點,而且因為它的流動阻力小,流通量大,不會受到高溫膨脹的影響。它的驅動力矩較小,開關非常的靈活,所以操作起來很方便。深受業內人士的喜愛。
【安裝說明】
通風蝶閥的安裝是至關重要的,因為安裝的好壞直接關系到了機械以后使用,所以我們在安裝通風蝶閥的時候一定要小心,并且注意相關的問題!下面就有昊天小編帶著大家一起來探討下吧!
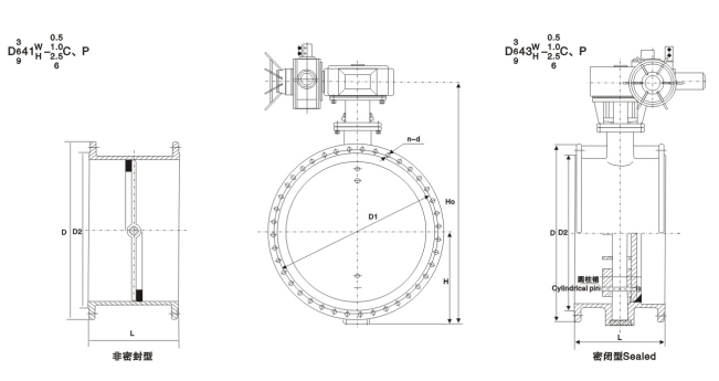
通風蝶閥結構采用中線式碟板與短結構鋼板焊接的新型結構形式設計制造的,結構緊湊、重量輕、便于安裝、流阻小、流通量大,避免高溫膨脹的影響,操作輕便。通風蝶閥內無連桿、螺栓等、工作可靠、使用壽命長。通風蝶閥是一種非密閉型蝶閥,廣泛適用于建材、冶金、礦山、電力等生產過程種介質溫度≤300℃公稱壓力為0.1Mpa的管道上,用以連通、啟閉或調節介質量。
通風蝶閥在管道中一般應當水平安裝,應用于化工、建材、電站、玻璃等行業中的通風、環保工程的含塵冷風或熱風氣體管道中,作為氣體介質調節流量或切斷的管道控制裝置。
【產品主要參數】
|
公稱壓力(MPa) |
0.05MPa |
介質溫度 |
-30℃~-350℃ |
|
強度試驗 |
0.1MPa |
適用介質 |
冷熱風、煙氣 |
|
介質流速 |
25m/s |
泄漏率 |
3% |
【主要外形和連接尺寸】
|
DN |
D |
D1 |
L |
L1 |
L2 |
n-Фd |
b |
|
300 |
405 |
370 |
120 |
716 |
220 |
8-12 |
10 |
|
350 |
455 |
420 |
140 |
786 |
240 |
8-14 |
10 |
|
400 |
505 |
470 |
140 |
924 |
270 |
12-18 |
10 |
|
450 |
570 |
530 |
160 |
999 |
295 |
12-18 |
10 |
|
500 |
620 |
580 |
160 |
1079 |
325 |
12-18 |
10 |
|
600 |
720 |
680 |
180 |
1140 |
380 |
16-18 |
12 |
|
700 |
820 |
780 |
180 |
1240 |
430 |
16-18 |
12 |
|
800 |
920 |
880 |
200 |
1350 |
490 |
16-18 |
12 |
|
900 |
1040 |
990 |
200 |
1450 |
540 |
16-18 |
14 |
|
1000 |
1140 |
1090 |
220 |
1550 |
590 |
20-18 |
14 |
|
1100 |
1240 |
1190 |
220 |
1800 |
640 |
20-18 |
14 |
|
1200 |
1340 |
1290 |
240 |
1900 |
690 |
20-18 |
14 |
|
1300 |
1440 |
1390 |
240 |
2020 |
760 |
20-18 |
16 |
|
1400 |
1540 |
1490 |
260 |
2120 |
810 |
24-18 |
16 |
|
1500 |
1640 |
1590 |
260 |
2220 |
860 |
24-18 |
16 |
|
1600 |
1740 |
1690 |
280 |
2390 |
980 |
24-18 |
16 |
|
1700 |
1840 |
1790 |
280 |
2590 |
1030 |
28-22 |
16 |
|
1800 |
1940 |
1890 |
300 |
2709 |
1096 |
28-22 |
16 |
|
1900 |
2040 |
1990 |
300 |
2826 |
1146 |
32-22 |
16 |
|
2000 |
2150 |
2090 |
320 |
2926 |
1196 |
32-26 |
16 |
|
2200 |
2360 |
2300 |
340 |
3126 |
1296 |
36-26 |
16 |
|
2400 |
2560 |
2500 |
360 |
3326 |
1396 |
36-26 |
18 |
|
2600 |
2760 |
2700 |
380 |
3526 |
1496 |
40-26 |
18 |
|
2800 |
2960 |
2900 |
400 |
3726 |
1596 |
40-26 |
18 |
|
3000 |
3190 |
3110 |
400 |
4098 |
1698 |
44-30 |
18 |
|
3200 |
3390 |
3310 |
440 |
4338 |
1798 |
44-30 |
20 |
|
3400 |
3590 |
3510 |
440 |
4578 |
1898 |
48-30 |
20 |
|
3600 |
3790 |
3710 |
480 |
4780 |
1998 |
48-30 |
20 |
|
3800 |
4000 |
3910 |
480 |
5000 |
2098 |
52-30 |
22 |
|
4000 |
4210 |
4120 |
520 |
5200 |
2210 |
52-30 |
22 |
【結構圖片】